О проекте Напишите нам

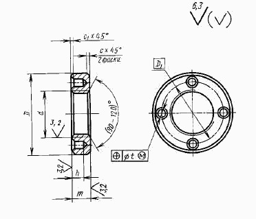
Гайка круглая с отверстиями на торце «под ключ» ГОСТ 6393-73

« к списку объявлений

04.07.2022 Предложение РусСпецКрепеж - изготовление крепежа по гост и на заказ

По ГОСТ 6393–73 изготавливаются гайки, у которых вместо наружного шестигранника гладкая цилиндрическая поверхность. Для передачи крутящего момента при завинчивании, в торце предусмотрены четыре отверстия. Предлагаем купить у нас гайку круглую с радиально расположенными отверстиями на торце «под ключ» класса точности А ГОСТ 6393-73. Диаметр резьбы 8-100 мм. Гайки поставляются термообработанные. При желании заказчика возможно нанесение антикоррозионного покрытия. Заявки принимаются на электронную почту с указанием обозначения гайки по ГОСТ. Штучное и оперативное изготовление. Продукция сертифицирована. Доставка до ТК.

Объявление размещено компанией: РусСпецКрепеж - изготовление крепежа по гост и на заказ

Ещё объявления

12.11.2025 Предложение МХ Стали Урала

Круг калиброванный 38ХС 6мм в наличии - 310 000 руб

ООО МХ «Стали Урала» предлагает из наличия круги калиброванные 38ХС! Свой склад. Доставка по России * Круг калиброванный 38ХС 6 мм, вес: 0,401 т,...

Открыть объявление »

12.11.2025 Предложение ПАРТАЛ — ваш эксперт в ми...

Выгодно заказать нихром онлайн Лучшие цены от 1 кг с доставкой по РФ

Ищете надежного поставщика нихрома? Вы нашли! Компания «ПАРТАЛ» десятилетиями обеспечивает промышленность высокоточными сплавами. Вас ждут: Гарантия...

Открыть объявление »

12.11.2025 Предложение ПАРТАЛ — ваш эксперт в ми...

Производство нихромовых спиралей сопротивления марок Х20Н80 и Х15Н60

Компания «ПАРТАЛ» осуществляет профессиональное изготовление нагревательных элементов из нихрома на заказ. Мы работаем с российским нихромом и гаранти...

Открыть объявление »

12.11.2025 Предложение ПАРТАЛ — ваш эксперт в ми...

ПАНЧ-11 в ПАРТАЛ: широкий ассортимент диаметров под ваши задачи

Заканчивается ПАНЧ-11? Срочная поставка от 1 метра! Не останавливайте производство! Купите оригинальную сварочную проволоку ПАНЧ-11 для чугуна напрям...

Открыть объявление »

11.11.2025 Предложение ООО ЭЛЭРИС, Поставка сило...

Преобразователь частоты INVT GD350-19 недорого со склада в Москве

Преобразователь частоты INVT GD350-19 поставим недорого со склада в Москве. INVT GD350-19 специализированный преобразователь для крановых применени...

Открыть объявление »

11.11.2025 Предложение ООО ЭЛЭРИС, Поставка сило...

Преобразователь частоты INVT GD270 недорого со склада в Москве.

Преобразователь частоты INVT GD270 поставим недорого со склада в Москве. INVT GD270 специализированный преобразователь для управления группой насо...

Открыть объявление »

11.11.2025 Предложение ООО ЭЛЭРИС, Поставка сило...

Преобразователь частоты INVT GD350 с защитой IP55

Преобразователь частоты INVT GD350 с защитой IP55 ООО ЭЛЕРИС предлагает к поставке Преобразователь частоты INVT GD350 с защитой IP55 для различных...

Открыть объявление »

11.11.2025 Предложение ООО ЭЛЭРИС, Поставка сило...

Преобразователь частоты INVT GD350A недорого со склада в Москве

Преобразователь частоты INVT GD350A поставим недорого со склада в Москве. Преобразователь частоты GD350A используется для применений с высокоточным...

Открыть объявление »

11.11.2025 Предложение ООО ЭЛЭРИС, Поставка сило...

Преобразователь частоты INVT GD200A недорого

Преобразователь частоты INVT GD200A недорого INVT GD200A – преобразователь частоты общего назначения поставим недорого со склада в Москве. Съемна...

Открыть объявление »

11.11.2025 Предложение ООО ЭЛЭРИС, Поставка сило...

Преобразователь частоты INVT GD27 недорого

Преобразователь частоты INVT GD27 недорого со склада в Москве. INVT GD27 – малогабаритные преобразователи частоты для широкого спектра общепром...

Открыть объявление »


Copyright © 2009-2025 SteelSite.ru - Металлургический портал, оборудование для обработки металлов, металлургическая продукция.

Обратная связь