О проекте Напишите нам

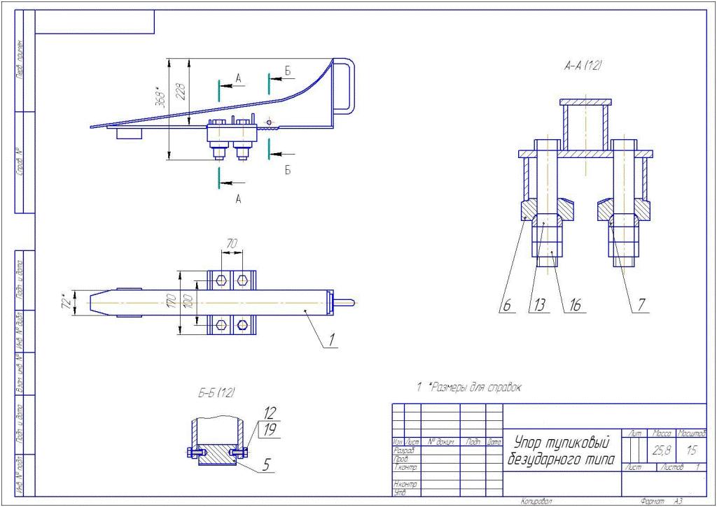
Ремонт или замена кранового пути, ТУПИКОВЫЕ УПОРЫ не забудь приобрести.

« к списку статей

29.01.2013 Техмаш

Предлагаем к поставке ТУПИКОВЫЕ УПОРЫ ударного и безударного типов, изготовленные на собственном производстве, для ЖД кранов: козловых, мостовых, башенных и портальных, ЕСТЬ РАЗРЕШЕНИЕ РОССТЕХНАДЗОРА.
Выдаём ПАСПОРТ КАЧЕСТВА на изделие!!!.
Доставка во все регионы России и СНГ (Автотрейдинг или Деловыми Линиями).
Так же, в наличии все материалы для ремонта и замены верхнего строения ЖД пути.

Сформировать весь заказ гораздо удобнее в одной фирме-это сэкономит Ваше время и деньги!

По материалам и ценам предлагаю звонить
8 (904) 036 04 17 Александр
Skype: vsp14282811

Статья опубликована от компании: Техмаш

Ещё анонсы и статьи

27.02.2026 SteelSite.ru

Когда и зачем нужно профессиональное обследование зданий в Москве

Москва — город с плотной застройкой и разнообразными геологическими условиями. Здесь, как нигде, важно следить за техническим состоянием построек. Жилые дома, офисные центры и промышленные сооружения...

Читать далее »

27.02.2026 SteelSite.ru

Взвешивание в металлургии: где теряются тонны на складе и при отгрузке

В металлургии масса - это не справочная величина, а параметр, от которого зависят приемка сырья, складской учет, корректность отгрузочных документов и итоговые расчеты с контрагентами. На практике про...

Читать далее »

24.02.2026 SteelSite.ru

Дефектоскопия и надежность запорной арматуры: от причин неисправностей до методов контроля

Запорная арматура - задвижки, краны, вентили и затворы - является фундаментом надежности любой трубопроводной сети. Несмотря на расчетный срок службы в 20–30 лет, риск внезапного выхода оборудования и...

Читать далее »

19.02.2026 SteelSite.ru

Сердце конвейера: всё, что нужно знать о выборе конвейерной ленты

Конвейерные ленты — это невидимые герои современной промышленности. Мы редко задумываемся о них, но именно по этим "дорогам" движутся миллионы тонн грузов: от угля и руды в шахтах до хрупких коробок с...

Читать далее »

02.02.2026 SteelSite.ru

Перевод кран-балки на радиоуправление: скрытые проблемы и как их избежать

Перевод кран-балки с проводного пульта или кабины на дистанционное управление - самый популярный вид модернизации. На первый взгляд процедура кажется простой: достаточно подключить приемник, и все. Но...

Читать далее »


Copyright © 2009-2026 SteelSite.ru - Металлургический портал, оборудование для обработки металлов, металлургическая продукция.

Обратная связь