О проекте Напишите нам

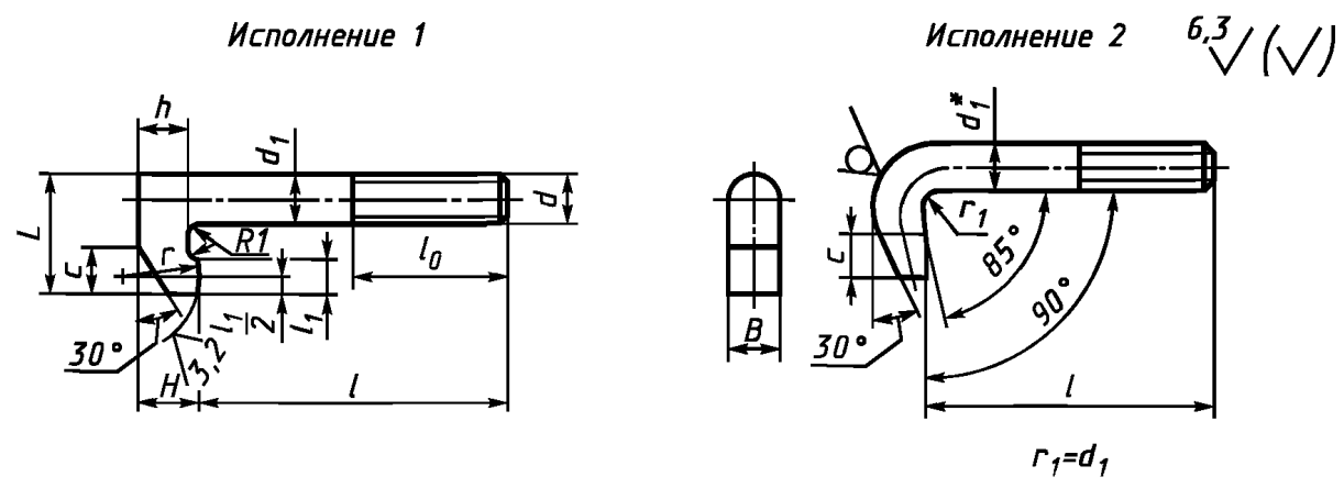
Болт Г-образный ГОСТ 9047-69

« к списку объявлений

10.04.2026 Предложение Крепеж специального назначения

Г-образный болт предназначен для станочных приспособлений. Для первого исполнения применяется сталь марки 45, которая характеризуется высокой прочностью и долговечностью, для второго исполнения сталь горячекатанная круглая обычной точности прокатки В, допускается замена на стали других марок. Данные болты идеальны для применения в тяжелых промышленных условиях, они обладают большим сроком службы благодаря своей конструкции. Для заказа Г-образных болтов обращайтесь к менеджеру. Свое производство. Доставка ТК по всей России.

Объявление размещено компанией: Крепеж специального назначения 88634377380

Ещё объявления

25.05.2026 Предложение МХ Стали Урала

Круг 08Х18Н10Т 24мм РТ-Техприемка, цена: 790 000 руб

ООО МХ «Стали Урала» предлагает из наличия круги 08Х18Н10Т! Свой склад. Доставка по России * Круг 08Х18Н10Т 24 мм, вес: 0,132 т, В1-2гп, МКК, ГОСТ...

Открыть объявление »

25.05.2026 Предложение МХ Стали Урала

Круг 07Х16Н6 16мм с РТ-Техприемкой со склада- 1050000 руб

ООО МХ «Стали Урала» предлагает из наличия круги 07Х16Н6 РТ-Техприемка! Свой склад. Доставка по России * Круг 07Х16Н6 16 мм, вес: 0,52 т, В1 II, т...

Открыть объявление »

25.05.2026 Предложение ТМГ,ООО

Горочный башмак тормозной искробезопасный БК-1 отгрузка под заказ

Башмак горочный искробезопасный БК, на складе. Башмаки железнодорожные противооткатные искробезопасные БК-1Л латунные изготавливаются из:...

Открыть объявление »

25.05.2026 Предложение ООО ГК СОФТМЕТАЛЛ

Латунь, бронза, медь, алюминий, нержавейка

В данный момент срочно продаём со скидкой: - БрАЖ9-4 – круг 180 - БрКМц3-1 – круг 7, 8, 10, 14, 70, 90 - Медная шина М1 – 12,5х50 - Бр...

Открыть объявление »

25.05.2026 Предложение ООО "ЮгРесурс"

Труба 1420 х21,6 в ВУС

Продам трубу: Труба 1420х25,8 в ВУС-100т -86000р/т с НДС, 1420х21,6 в ВУС -86 000р\т с НДС., 1420х15,7 в ВУС -115000р\т с НДС , Труба 1420 х18 в ВУС...

Открыть объявление »

24.05.2026 Предложение ТМГ,ООО

Тормозной башмак ТУ 3201124.323-72-94 горочный, отгрузка из наличия

Башмак горочный ТУ 3201124.323-72-94,чертеж 8739.00СБ на складе. Гарантия качества, быстрая отгрузка. Продукцию отгружаем со всеми документам: (...

Открыть объявление »

22.05.2026 Предложение ТМГ,ООО

Купить шпалу железобетонную Ш1 ГОСТ32.152-2000 б/у в полной комплектации

Шпала железобетонная Ш-1 Б/У ГОСТ 33320-2015 в полной комплектации: На 1 шпале в комплектации: 1) подкладка КБ-65 б/у -2 шт. 2) болт закладной в...

Открыть объявление »

22.05.2026 Предложение СтальГорн

Трубы нерж э/св 355х6, 400х6, 400х12, 406х12, 606х6, 630х14 12Х18Н10Т. Трубы бесшовные 20х2, 25х2, 89х4,5, 140х8 08Х22Н6Т.

360р!!! Трубы нержавеющие 8х1, 18х2, 25х1,5, 57х2 12Х18Н10Т 360тр/тн. Титановые трубы 25х2 ВТ1-0 1500р/кг с НДС 1,3тн. 2,2-2,4м. Трубы 89х7 08Х12Н...

Открыть объявление »

21.05.2026 Спрос МигБрокер

Продать акции «Волгогаз» дорого — деньги сразу! | МигБрокер

Хотите продать акции «Волгогаз»? Узнайте реальную цену и стоимость на сегодня. Оплата сразу до подписания договора. Работаем по всей России, все комис...

Открыть объявление »

21.05.2026 Предложение ООО "Импорт Металл"

Ферросплавы всех видов

ООО «ИМПОРТ МЕТАЛЛ» предлагает поставки следующих материалов: феррофосфор ФФ20-6 ферросилиций ФС45 ферросилиций ФС65 ферросилиций ФС75 кремний Кр...

Открыть объявление »


Copyright © 2009-2026 SteelSite.ru - Металлургический портал, оборудование для обработки металлов, металлургическая продукция.

Обратная связь